Thông tin sản phẩm
Tên sản phẩm: Tời điện 500 Kg Đài Loan CWG-500TH
Mã sản phẩm: CWG-500TH
nhà sản xuất: COMEUP - ĐÀI LOAN
nhà sản xuất: 12 Tháng
Giá: Liên hệ
Tời Điện 500 Kg Đài Loan CWG-500TH
Tời Điện 500 Kg Đài Loan CWG-500TH không giống như hầu hết các công ty tời khác, ComeUp là một hoạt động do gia đình điều hành bị ám ảnh bởi tầm quan trọng của chi tiết được khách hàng trên toàn thế giới đánh giá cao.
>> Danh Sách Tời Điện COMEUP Đài Loan
>> So Sánh Với Tời Tay Nhật Bản

Một Số Tính Năng Cơ Bản:
-
Tải Trọng: 500 Kg ở lớp cáp trên cùng
-
Tốc Độ Nâng: 19 - 34 (m/phút)
-
Nguồn điện: 3 pha,380V,50hz
-
Chiều Cao Nâng Tối Đa: 127m
-
Phương Pháp Phanh: Phanh điện từ
-
Cáp Thép: 8 mm x 130 m, 6x19
-
Chiều Dài Trống: 300m
-
Đường Kính Trống: 114.3mm
-
Trọng Lượng Thực Tế: 155 Kg
-
Tổng Trọng Lượng: 183 KG

Phụ Kiện Đi Kèm:
- Điều Khiển Từ Xa HOB-213

Phụ kiện chính hãng:
Có Thể Tìm Hiểu Thêm Về Phụ Kiện Tời Điện: Tại Đây.
Tời Điện 500 Kg Đài Loan Tuân thủ các yêu cầu EN 14492-1:
* Đối với ứng dụng cẩu:
Hệ số làm việc cho lớp dây đầu tiên trên trống ít nhất là 5. Tỷ lệ D / d với tâm của dây phải có ít nhất 15 đối với trống. Một công tắc có chức năng dừng khẩn cấp và giới hạn được yêu cầu.
* Đối với ứng dụng kéo:
Hệ số làm việc cho lớp dây đầu tiên trên trống ít nhất là 3. Tỷ lệ D / d với tâm của dây phải có ít nhất 12 đối với trống. Một công tắc có chức năng dừng và giới hạn khẩn cấp được yêu cầu
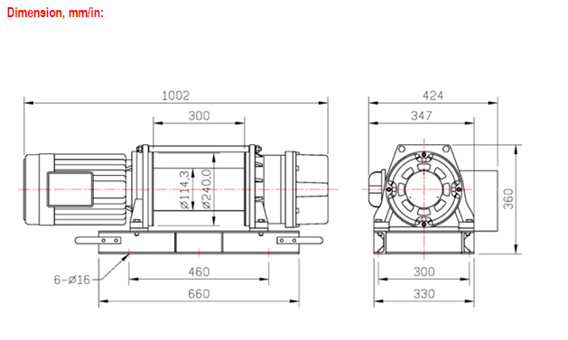
Bản Vẽ Kỹ Thuật Tời Điện 500 Kg Đài Loan CP500

Một số hình ảnh thật Tời Điện




Xuyên Á Đại Thành: Chuyên Cung Cấp Loại: Tời Cáp Điện Đài Loan, Palang Xích Điện SAMSUNG, Palang Cáp Điện SAMSUNG Hàn Quốc, Puly Nâng Hạ, Puly Kéo Cáp, Cáp Thép Nhật Bản, Palang Xích Kéo Tay Nhật Bản, Palang Lắc Tay Nhật Bản.
Hãy liên hệ với chúng tôi ngay để được báo giá và tư vấn.
- Trụ Sở Kho : 347B Quốc Lộ 50, xã Phong Phú, Bình Chánh, Hồ Chí Minh, Việt Nam
- Số Điện Thoại Liên Hệ : 0902 505 337 (Mr.Chinh)
- Email Liên Hệ: chinhnv@etecco.com.vn
- Website: www.xuyenadaithanh.com - www.etecco.com.vn
- Facebook: https://www.facebook.com/XUYENADAITHANH/
- Kênh Youtube: www.youtube.com/xuyenadaithanh





















