Thông tin sản phẩm
Tên sản phẩm: Palang Xích Điện 2 Tấn Chạy Trên Dầm SamSung
Mã sản phẩm: SCT-S(D)2000D
nhà sản xuất: SamSung
nhà sản xuất: 12 Tháng
Giá: Liên hệ
Palang Xích Điện 2 Tấn Loại Chạy Trên Dầm SamSung
Palang Xích Điện thuộc nhà sản xuất Samsung đến từ Hàn Quốc với tải trọng nâng hạ vật tối đa là 1 tấn, sử dụng nguồn điện 3 pha- 380V- 50Hz. Sản phẩm Là loại palang xích điện di chuyển có con chạy điện. Model: SCT-S(D)2000D được Công ty Xuyên Á Đại Thành nhập khẩu chính hãng đầy đủ CO-CQ và phân phối toàn quốc với phương châm chất lượng là uy tín.
Sản phẩm có tên gọi Khác: Palang Xích Điện Và Con Chạy Điện, Pa lăng xích điện, ba năng xích điện, ba lăng xích điện, tời xích điện.
===> Tất cả dòng sản phẩm Palang Điện Hàn Quốc đều đạt chứng chỉ CE-CHÂU ÂU, Và ISO 9001.
Bảo hành chính hãng 12 tháng =>>> Hỗ trợ lắp đặt tận nơi.
>> Các Dòng Palang Cáp Điện Dầm Đơn SamSung Hàn Quốc
>> So Sánh Với Các Dòng Palang Xích Điện Cố Định Hàn Quốc.
>> So Sánh Các Dòng "Palang Xích Điện Và Con Chạy Điện 1 Tấn" Khác
>> Các Dòng Palang Xích Điện Và Con Chạy Điện

XEM NGAY >> Palang xích điện SAM SUNG Hàn Quốc 2 Tấn Cố Định
>> Palang xích điện SAMSUNG Hàn Quốc 2 Tấn và con chạy điện
>> Palang xích điện KIO WINCH Đài Loan 2 Tấn
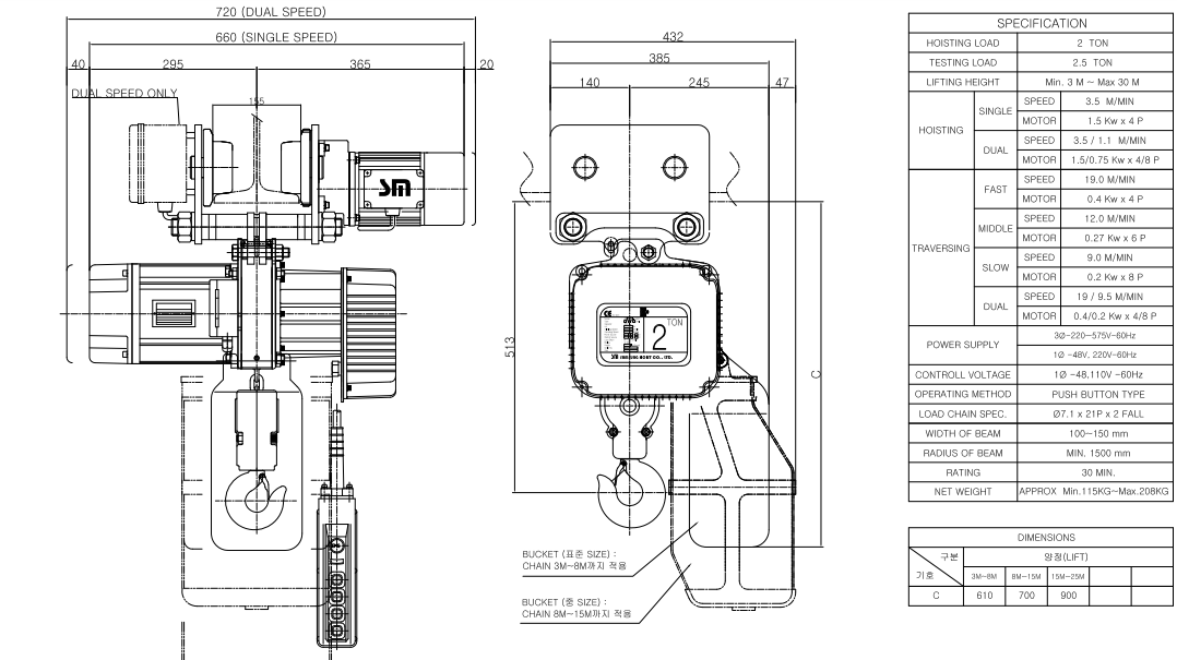
SẢN PHẨM CÓ THÔNG SỐ KỸ THUẬT NHƯ SAU :
-
Tải Trọng: 2000Kg
-
Tốc độ trung bình: 1.1m - 3.5m / phút
-
Chiều Cao Nâng: 4m đến 50m
-
Xích: SCT-S(D)2000D sử dụng xích 7.1mm, 2 line ( 2 xích )
-
Nguồn Điện: 1 pha 220V, 50Hz
3 pha 380V, 50Hz
-
Trọng lượng: 115 - 208 Kg


>> Tham khảo tời điện COMEUP Đài Loan
>> Tìm hiểu cẩu trục SamSung Hàn Quốc
⭐️ Pa Lăng Xích Điện SAMSUNG HÀN QUỐC - Hệ Thống Cẩu Trục
Pa lăng xích điện và con chạy sử dụng hệ thống cẩu trục có dầm chữ I. Ngoài ra hệ thống cẩu trục còn áp dụng cho pa lăng cáp điện dầm đơn. Khi hoạt động, pa lăng xích điện sẽ di chuyển trên dầm theo yêu cầu của người sử dụng là qua trái hay qua phải


TÍNH NĂNG, ĐẶC ĐIỂM PALANG XÍCH ĐIỆN SAMSUNG HÀN QUỐC.
-
Palang Điện có Xích Tải model G-80 có sức chịu tải rất lớn, Loại chống ăn mòn.
-
Palang Điện Có Hooks :Móc nạp được làm bằng thép cacbon bằng móc móc với móc nặng, móc đỡ trong móc cho phép quay 360 độ để tránh xoắn dây tải. Top Hook, cho móc treo móc treo cứng.
-
Điều khiển nút nhấn Thiết kế nhỏ gọn cho phép vận hành một tay. Bảo vệ IP64. Nút dừng khẩn cấp được bao gồm. Cáp nút nhấn có chức năng giảm căng thẳng để tránh hư hỏng cáp.
-
Đặc biệt Động cơ mini-brush đặc biệt có tuổi thọ dài và độ rung thấp; cũng cho phép hoạt động tốc độ cao.
-
Hộp bánh răng / Dầu bôi trơn. Hộp ly hợp đặc biệt-tự động chuyển sang chạy khô vì tải quá (Vượt quá giới hạn tối đa hoặc tối thiểu) và dừng hoạt động lên xuống.
-
ĐẶC TÍNH: Phanh: Hệ thống phanh kép kết hợp phanh cơ học cộng hưởng, cung cấp phanh tức thời và an toàn.
-
Xích: Được thiết kế và sản xuất bởi FEC, Nhật Bản, loại thép hợp kim loại 80 có khả năng chịu đựng và tuổi thọ cao.
⭐️ Video Là Sản Phẩm Demo Từ Hãng SAMSUNG-Hàn Quốc, Giúp Bạn Có Ánh Nhìn Sắc Nét Về Chất Lượng Pa Lăng Điện SAMSUNG Hàn Quốc. Đảm Bảo Bạn Sẽ Tin Tưởng Sử Dụng Sản Phẩm Pa Lăng Điện SAMSUNG được Xuyên Á Đại Thành phân phối tại Việt Nam.
⭐️ Tại Nhà Máy Hoặc hướng dẫn thay thế cáp thép cho Pa lăng Điện TẠI ĐÂY.
QUY CÁCH SỬ DỤNG PALANG XÍCH ĐIỆN 2 TẤN SAMSUNG HÀN QUỐC
Phù hợp cho các ứng dụng tại nơi làm việc khác nhau, chẳng hạn như nhà máy chung, xây dựng nhà kho, hệ thống ống nước, và các ngành công nghiệp nông nghiệp.
Được thiết kế cho các ứng dụng rigging độc đáo gặp phải ở các địa điểm nhỏ, nhẹ, yên tĩnh và di động. Hoạt động trên 220V-240V hoặc 415V-440V, có nghĩa là bạn có thể cắm nó ở bất cứ đâu.
Dòng Sản Phẩm Mới Nhất Sản Xuất SAMSUNG Hàn Quốc: Loại Palang Điện Chất Lượng Cao. Sử Dụng Trong Nhà Máy - Công Trình Xây Dựng.
Được nhập khẩu bởi Xuyên Á Đại Thành
⭐️ Mô phỏng Vận Hành Palang Xích Điện Hàn Quốc SAMSUNG Trong Nhà Máy (VIDEO)
*** THAM KHẢO DÒNG PALANG XÍCH ĐIỆN 3 TẤN:
Pa lăng Xích Điện 3 Tấn Chạy Trên Dầm - Loại INVERTER - SamSung - Hàn Quốc
Pa lăng Xích Điện 2 Tấn Chạy Trên Dầm SamSung Hàn Quốc - Loại INVERTER
Palang Xích Điện 3 Tấn Chạy Trên Dầm SamSung SCT-S(D)3000
Palang Xích Điện 3 Tấn Và Con Chạy Điện Di Chuyển
HÌNH ẢNH THỰC TẾ: PALANG XÍCH ĐIỆN VÀ CON CHẠY ĐIỆN 2 TẤN







CÁC CHỨNG CHỈ CHẤT LƯỢNG CQ, CHỨNG CHỈ XUẤT XỨ CO, BẢN TEST CHẤT LƯỢNG SẢN PHẨM




******* XEM NGAY : DỰ ÁN PALANG XÍCH ĐIỆN HÀN QUỐC ĐÃ HOÀN THÀNH
⭐️ CLICK VÀO DANH SÁCH THAM KHẢO:
Công ty TNHH Xuyên Á Đại Thành tự hào là nhà nhập khẩu và phân phối uy tín chuyên nghiệp các loại thiết bị nâng hạ, cung cấp các thiết bị và phụ kiện cho ngành điện, ngành xây dựng, bảo hộ lao động cùng với nhiều chủng loại phong phú, đa dạng về kiểu dáng, mẫu mã và phù hợp với mọi điều kiện cũng như nhu cầu công việc của Quý khách.
Về phân phối sản phẩm: Chúng tôi có những hình thức bán hàng sẵn có và đặt hàng nhập khẩu theo nhu cầu khách hàng yêu cầu.
Công Ty XUYÊN Á ĐẠI THÀNH CUNG CẤP ĐA DẠNG CÁC LOẠI MÁY MÓC , DỤNG CỤ VÀ TRANG THIẾT BỊ NHƯ : Tời Điện Đài Loan, Tời điện mini Come Up, Tời điện nâng thang tời hàng, Palang cáp điện dầm đơn, Palang cáp điện dầm đôi, Cáp thép Nhật Bản và Hàn Quốc, Cáp vải bản dẹp, Cáp vải bản tròn, Thiết bị bảo hộ, Dây Đai an toàn, Sling cáp thép
CHỌN MUA PALANG XÍCH TẠI XUYÊN Á ĐẠI THÀNH ĐẢM BẢO
✅ Chúng tôi cung cấp Palang xích trên thị trường, có đầy đủ thông số kỹ thuật, hệ số an toàn chính xác
✅ Sản phẩm do chúng tôi cung cấp chính hãng, giá cạnh tranh, chất lượng đạt chuẩn quốc tế
✅ Cam kết KHÔNG phân phối hàng nhái, hàng lậu, hàng kém chất lượng và không rõ nguồn gốc
✅ Luôn đồng hành và tư vấn mọi thắc mắc của khách hàng về sản phẩm
✅ Chúng tôi luôn lựa chọn sản phẩm có quy trình sản xuất hiện đại, nghiêm ngặc
✅ Cam kết sản phẩm có giấy chứng nhận nguồn gốc xuất xứ rõ ràng và chất lượng cao
![]()
Hotline tư vấn: 0902 505 337
Về phân phối sản phẩm: Chúng tôi có những hình thức bán hàng sẵn có và đặt hàng nhập khẩu theo nhu cầu khách hàng yêu cầu.
Hãy liên hệ với chúng tôi ngay để được báo giá palang xích điện Đài Loan và tư vấn cụ thể
-
Trụ Sở Kho : 347B Quốc Lộ 50, xã Phong Phú, Bình Chánh, Hồ Chí Minh, Việt Nam
-
Website: www.xuyenadaithanh.com - www.etecco.com.vn - https://palangdienhanquoc.com/
-
Facebook: facebook.com/XUYENADAITHANH/
-
Kênh Youtube: www.youtube.com/xuyenadaithanh





















